YUS1-SN

产品概述
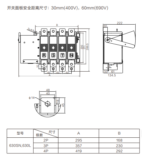
选型方式
技术参数
产品说明书
双电源自动切换开关是我公司开发的高科技产品,符合GB/T14048.11 标准,也符合《高层民用建筑防火规范》、《应急照明设计指南》等。产品 的部件、元器件经过严格的老化筛选,成品经过连续高温24h的通电老化, 最后通过加载检验合格后方可出厂。从而保障了产品的可靠性和安全性。

适用于交流400V及以下、额定频率50Hz。在电源出现缺相、过压、欠 压等故障情况时,在控制器的控制下转换开关能迅速将负载从常用电源换至 备用电源(此时备用电源必须正常)。用户还可以在需要时使负载处于一个中 间位置,使负载既不与常电源接通也不与备用电源接通。

本产品主要用于国家规定的一级、二级负荷,广泛适用于消防邮电通 讯、医院、宾馆、城市轨道交通、高层楼宇、工业流水线、电视台等需要连 续供电的场所。常用电源可以是电网、自启动发电机组、蓄电池组等。 

□ 二段式自动转换开关,当开关接到转换信号后在中间断开位置不停顿立 即从一个电源换接到另一个电源。
□ 三段式自动转换开关,该开关接到转换信号后,可立即(或经过一个预先 设定的延时时间)从一个电源换接到另一个电源,也可以从一个电源换接 到不与任何电源相通的中间断开位置。
□ 本开关电器级别为:PC级。
□ 接线方式均为板前接线方式。
□ AC110V的开关电器为特殊供货。

ScreenShot_2025-11-13_113115_978

产品说明书

下载 PDF